Entrée de câble de 7,7 mm / décharge de traction - noir
10352
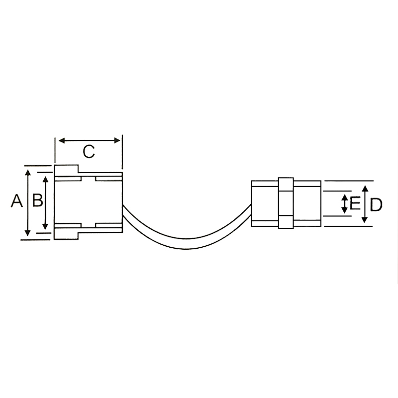
Ces serre-câbles Bushing sont fabriqués en nylon pour absorber les forces de traction, de poussée et de torsion des câbles. span> p> Initiales: CB-6P-4 span> p> Dimensions (mm): span> p> A: 16,8 span> p> B: 13,7 span> p> C: 14.7 span> p> D: 8,7 span> p> E: 7.7 span> p>
p>
span> p>
Codice fornitore
CB-6P-4
Marque
FATO
Please sign in so that we can notify you about a reply





