Cable entry / cable duct 13mm - black
10252
These Bushing cable clamps are made of nylon material, to absorb the forces of traction and thrust and torsion exerted on the cables.
Initials: CB-7N-2

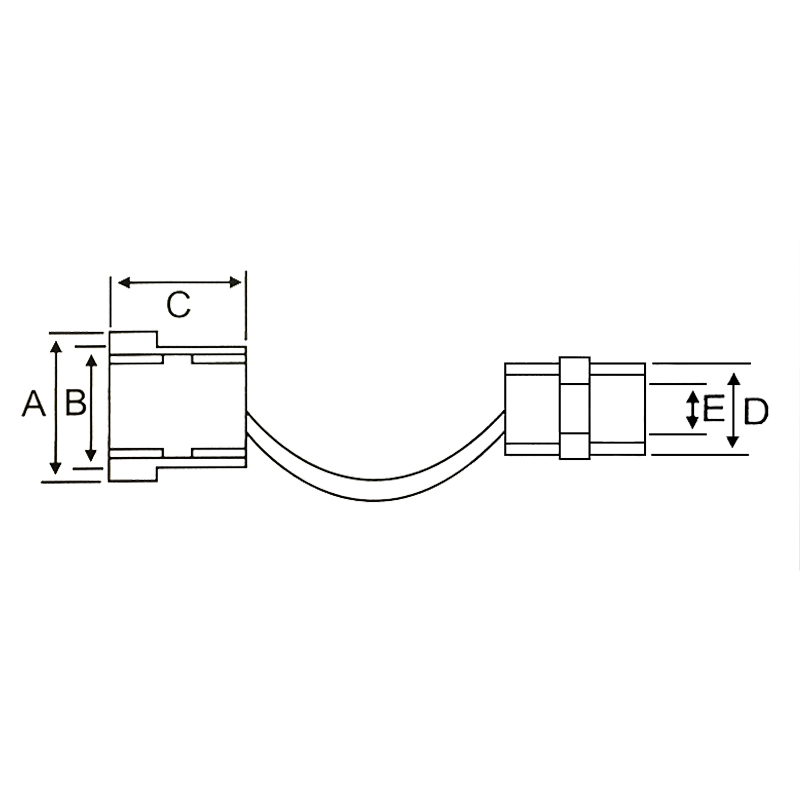
Dimensions (mm):
- A: 19.4
- B: 16
- C: 19.2
- D: 11
- E: 13

Brand
FATO
Supplier code
CB-7N-2
Please sign in so that we can notify you about a reply





